-
邢臺軋輥廠PPC64-4脈沖布袋除塵器今日發貨
發布日期:2020-02-20
2015年10月26日邢臺軋輥廠張經理定購的一臺PPC64-4脈沖布袋除塵器今天已發貨。根據我公司技術人員現場了解,目前車間內工人在切割軋輥的過程中沒有粉塵防護措施,細微的粉塵在氣流的沖擊下迅速的冒出,現場操作環境極其惡劣。 -
內蒙古達茂旗選礦廠定購的破碎機除塵器已發貨
發布日期:2020-02-20
內蒙古達茂旗明輝選礦廠定購的PPC64-6破碎機除塵器已發貨,PPC系列氣箱式布袋除塵器在選礦廠破碎機系統粉塵治理十分拿手,擁有強大的粉塵過濾元件,可以有效抑制砂石生產線的粉塵污染問題,通過幾年來在礦山行業的應用和技術革新,取得了顯著的降塵效果和較好 -
安徽嘉美粉末涂料廠MC80布袋除塵器已交付使用
發布日期:2020-02-20
安徽嘉美粉末涂料廠定購的9套MC-80布袋除塵器于2015年10月24日已交付使用,經過O布袋除塵器處理后,配料過程中稱量、卸料入混合桶、混合過程中產生的粉塵,混合料入擠出機喂料口粉塵,擠出廢氣非甲烷總烴,磨粉過程中負壓輸送、磨粉、篩分過程中產生的磨粉 -
江西劉經理定購的廢銅冶煉反射爐布袋除塵器已發貨
發布日期:2020-02-20
江西劉經理定購的廢銅冶煉反射爐布袋除塵器于2015年10月19日已發貨,除塵器型號:PPC64-5脈沖布袋除塵器,供貨清單:ф133×2450除塵布袋320條,ф120×2400除塵骨架320個,DMF-Z-50電磁脈沖閥5個,4-68-6.3C 22KW引風機1臺,YJD-16星型卸料器1臺,除塵控制柜 -
山東萊蕪黃經理定購的石灰倉頂布袋除塵器已發貨
發布日期:2020-02-20
山東萊蕪黃經理定購的石灰倉頂布袋除塵器2015年10月11日已發貨,除塵器主要配件包含:清潔室、袋室、爬梯、欄桿、進出風口、倉頂對接法蘭、檢修平臺,檢修門等。濾袋材質:滌綸針刺氈濾袋,規格:φ130*1500mm,數量:36條,耐溫: -
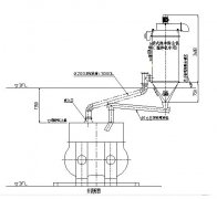
烏達王經理定購的PPCS32-6氣箱式脈沖袋式除塵器已發貨
發布日期:2020-02-20
烏達王經理定購的烘干機用兩臺PPCS32-6氣箱式脈沖袋式除塵器,在技術、車間等各部門人員的明確分工和緊密配合下,經過了多道制作工序后順利完成生產任務,并通過質檢部門檢驗合格,于2015年10月10日順利發貨。 -
河北高邑武經理定購的磨邊機除塵器已交付使用
發布日期:2020-02-20
河北高邑武經理定購的兩臺完全干式磨邊機除塵器2015年10月8日交付使用,兩套磨邊機中共有16個收塵點。各個收塵點由單獨吸風罩收集后通過總風管引入氣箱脈沖布袋除塵器,磨邊機除塵器本體分隔成多個箱區,每箱有160條袋,并在每箱側邊出口管道上有1個氣缸帶動 -
山東煙臺王經理定購的砂輪機拋光除塵器已發貨
發布日期:2020-02-20
山東煙臺王經理定購的砂機機拋光除塵器2015年10月3日已發貨,全部砂輪機采用布袋集中除塵系統,經過O脈沖布袋除塵器處理后排放的煙氣粉塵濃度≤50mg/m3,達到O和地方環保排放標準,工作環境大為改觀,樹立了良好的外部形象。 -
山東陶瓷廠噴霧干燥塔除塵器已發貨
發布日期:2020-02-20
山東陶瓷廠胡經理定購的噴霧干燥塔除塵器于2015年7月27日已發貨,此除塵器根據噴霧干燥塔排風溫度有時瞬間溫度在200-260度這一特性,我們在旋風除塵器布袋除塵器前設旁路,讓瞬間高溫氣體從旁路排出,以保護布袋,延長設備使用壽命,噴霧干燥塔除塵器采用智能 -
山西太原配套三一攪拌站倉頂除塵器已發貨
發布日期:2020-02-20
山西太原王經理定購的8臺混凝土攪拌站倉頂除塵器于2015年7月13日已發貨,三一攪拌站配套專供倉頂除塵器型號:DMC-25,倉頂除塵器過濾面積:20m2,處理風量:2000m3/h,濾袋數量:25條,脈沖閥數量:5個,除塵效率99.99%,粉塵排放濃度:≤30mg/m3。 -
濟南化肥廠復合肥生產線用高效旋風除塵器已發貨
發布日期:2020-02-20
濟南化肥廠王經理定購的復合肥生產線用FX2000O旋風除塵器于2015年7月6日已發貨,此旋風除塵器替換復合肥生產線的干燥、冷卻工段原有旋風除塵器。此旋風除塵器經過特殊設計,短路流量的減少可提高除塵效率,增大斷面的下降流量,又能使含塵空氣在除塵器內的 -
石家莊井陘鈣粉廠定購的5套石料生產線除塵器已發貨
發布日期:2020-02-20
石家莊井陘礦區鈣粉廠定購的5套石料生產線布袋除塵器于2015年7月1日已發貨,由于礦區環保任務緊,要求于2015年7月10日前將5套石料生產線全部安裝布袋除塵器,為了保證石料生產線的環保驗收,我們在30多度高溫天氣里,工人師傅頂著烈日、加班加點 -
山西清徐商品混凝土攪拌站主機除塵器交付使用
發布日期:2020-02-20
山西清徐劉經理定購的商品混凝土攪拌站主機除塵器已于2015年6月20日交付使用,解決了攪拌機在生產過程中,向攪拌機內投料(粉狀物)時,對周圍環境的污染問題,經濟合理地節約了寶貴的資源。 -
廊坊劉經理定購的剎車片除塵器已發貨
發布日期:2020-02-20
廊坊奧斯曼汽車零部件劉經理定購的剎車片生間車間用布袋除塵器于2015年6月19日已發貨。本建設項目的生產廢氣主要是粉塵,粉塵來源于平面磨削工段,粉塵量約為20kg/班次。磨削粉塵采用在磨削設備旁安裝單臺布袋除塵器,對磨削粉塵進行局部收塵,經布袋除塵器處 -
河南南陽鈣粉廠布袋除塵器已安裝完畢
發布日期:2020-02-20
河南南陽鈣粉廠定購的DMC-160布袋除塵器于2015年4月10日安裝完畢,除塵器經測試,重鈣顆粒粉塵經旋風除塵器分離和布袋除塵器除塵后,通過引風機外排廢氣可達到《大氣污染物綜合排放標準》(GB16297-1996)中一級標準(O高允許排放濃度小于50mg/m3,O高充許 -
天津鋁塑門窗廠木工機械布袋除塵器已投入使用
發布日期:2020-02-20
天津市某鋁塑門窗制品公司2015年3月7日在我公司購買的HMC350高壓脈沖單機布袋除塵器1臺和YDMC低壓脈沖單機布袋除塵器3臺已安裝調式完成并投入使用。本除塵器解決了客戶生產車間除塵點多(三個車間17個除塵點),分布分散的揚塵問題和門窗加工時產生的鋸末粉塵 -
山西化工廠烘干機布袋除塵器改造維修完畢
發布日期:2020-02-20
山西某化工廠烘干機現裝有一臺袋式除塵器,除塵器由于腐蝕問題,每個月都需要更換除塵布袋與袋籠,過濾單元的維修頻率很高,我公司通過針對煙氣性質與除塵器型號仔細分析,提出了一個解決問題的具體方案,建議修復布袋除塵器的噴吹系統,更換除塵布袋和骨架, -
新疆塔里木發電廠渣倉庫頂布袋除塵器已發貨
發布日期:2020-02-20
新疆塔里木發電廠渣倉庫頂布袋除塵器于2014年11月25日已發貨,除塵器采用DMC-36O脈沖除塵器,渣倉頂部設一臺O庫頂排氣布袋除塵器,O低除塵效率為99.9%。過濾面積大于24m2。為了保持渣倉內為負壓和限制干渣的過度飛揚,布袋除塵器加裝排氣風機。 -
河南長葛鋁熔煉炒灰機鋁灰除塵系統10月份交付使用
發布日期:2020-02-20
河南長葛鋁熔煉企業炒灰機鋁灰除塵系統DMC-120布袋除塵器于2014年10月28日交付使用,布袋除塵系統捕集率:≥99.9%,排放濃度:≤50mg/Nm3,使用之后,工況改善,達到符合環保標準和要求。 -
山西陽泉采石場石料生產線脈沖袋式除塵器交付使用
發布日期:2020-02-20
山西陽泉采石場石料生產線兩套脈沖袋式除塵器已于2014年9月30日交付使用,石料廠生產線破碎機、振動篩、落料點等處的揚塵點采用集中除塵的方式,充份利用現場有限空間,布袋除塵器保證各吸塵口風量適宜,效果良好,達到環保要求。
